摘要:防火卷帘、防火门、防火窗功能调试 一般规定 1、防火卷帘、防火门、防火窗安装完毕后应进行功能调试,当有火灾自动报警系统时,功能调试应在有关火灾自动报警系统及联动控制设...
防火卷帘、防火门、防火窗功能调试
一般规定
1、防火卷帘、防火门、防火窗安装完毕后应进行功能调试,当有火灾自动报警系统时,功能调试应在有关火灾自动报警系统及联动控制设备调试合格后进行。功能调试应由施工单位负责,监理单位监督。
2、防火卷帘、防火门、防火窗的功能调试应符合下列规定:
(1)调试前应具有相关的技术资料和施工过程检查记录及调试必需的其他资料。
(2)调试前应根据GB50877-2014规范规定的调试内容和调试方法,制订调试方案,并应经监理单位批准。
(3)调试人员应根据批准的调试方案按程序进行调试。
3、防火卷帘、防火门、防火窗的功能调试应按规范填写调试过程检查记录。施工单位应在调试合格后向建设单位申请验收。
防火卷帘调试
1、防火卷帘控制器应进行通电功能、备用电源、火灾报警功能、故障报警功能、自动控制功能、手动控制功能和自重下降功能调试,并应符合下列要求:
(1)通电功能调试时,应将防火卷帘控制器分别与消防控制室的火灾报警控制器或消防联动控制设备、相关的火灾探测器、卷门机等连接并通电,防火卷帘控制器应处于正常工作状态。
检查数量:全数检查。
检查方法:直观检查。
(2)备用电源调试时,设有备用电源的防火卷帘,其控制器应有主、备电源转换功能。主、备电源的工作状态应有指示,主、备电源的转换不应使防火卷帘控制器发生误动作。备用电源的电池容量应保证防火卷帘控制器在备用电源供电条件下能正常可靠工作1h,并应提供控制器控制卷门机速放控制装置完成卷帘自重垂降,控制卷帘降至下限位所需的电源。
检查数量:全数检查。
检查方法:切断防火卷帘控制器的主电源,观察电源工作指示灯变化情况和防火卷帘是否发生误动作。再切断卷门机主电源,使用备用电源供电,使防火卷帘控制器工作1h,用备用电源启动速放控制装置,观察防火卷帘动作、运行情况。
(3)火灾报警功能调试时,防火卷帘控制器应直接或间接地接收来自火灾探测器组发出的火灾报警信号,并应发出声、光报警信号。
检查数量:全数检查。
检查方法:使火灾探测器组发出火灾报警信号,观察防火卷帘控制器的声、光报警情况。
(4)故障报警功能调试时,防火卷帘控制器的电源缺相或相序有误,以及防火卷帘控制器与火灾探测器之间的连接线断线或发生故障,防火卷帘控制器均应发出故障报警信号。
检查数量:全数检查。
检查方法:任意断开电源一相或对调电源的任意两相,手动操作防火卷帘控制器按钮,观察防火卷帘动作情况及防火卷帘控制器报警情况。断开火灾探测器与防火卷帘控制器的连接线,观察防火卷帘控制器报警情况。
(5)自动控制功能调试时,当防火卷帘控制器接收到火灾报警信号后,应输出控制防火卷帘完成相应动作的信号,并应符合下列要求:
1)控制分隔防火分区的防火卷帘由上限位自动关闭至全闭。
2)防火卷帘控制器接到感烟火灾探测器的报警信号后,控制防火卷帘自动关闭至中位(1.8m)处停止,接到感温火灾探测器的报警信号后,继续关闭至全闭。
3)防火卷帘半降、全降的动作状态信号应反馈到消防控制室。
检查数量:全数检查。
检查方法:分别使火灾探测器组发出半阵、全降信号,观察防火卷帘控制器声、光报警和防火卷帘动作、运行情况以及消防控制室防火卷帘动作状态信号显示情况。
(6)手动控制功能调试时,手动操作防火卷帘控制器上的按钮和手动按钮盒上的按钮,可控制防火卷帘的上升、下降、停止。
检查数量:全数检查。
检查方法:手动试验。
(7)自重下降功能调试时,应将卷门机电源设置于故障状态,防火卷帘应在防火卷帘控制器的控制下,依靠自重下降至全闭。
检查数量:全数检查。
检查方法:切断卷门机电源,按下防火卷帘控制器下降按钮,观察防火卷帘动作、运行情况。
2、防火卷帘用卷门机的调试应符合下列规定:
(1)卷门机手动操作装置(手动拉链)应灵活、可靠,安装位置应便于操作。使用手动操作装置(手动拉链)操作防火卷帘启、闭运行时,不应出现滑行撞击现象。
检查数量:全数检查。
检查方法:直观检查,拉动手动拉链,观察防火卷帘动作、运行情况。
(2)卷门机应具有电动启闭和依靠防火卷帘自重恒速下降(手动速放)的功能。启动防火卷帘自重下降(手动速放)的臂力不应大于70N。
检查数量:全数检查。
检查方法:手动试验,拉动手动速放装置,观察防火卷帘动作情况,用弹簧测力计或硅码测量其启动下降臂力。
(3)卷门机应设有自动限位装置,当防火卷帘启、闭至上、下限位时,应自动停止,其重复定位误差应小于20mm。
检查数量:全数检查。
检查方法:启动卷门机,运行一定时间后,关闭卷门机,用直尺测量重复定位误差。
3、防火卷帘运行功能的调试应符合下列规定:
(1)防火卷帘装配完成后,帘面在导轨内运行应平稳,不应有脱轨和明显的倾斜现象。双帘面卷帘的两个帘面应同时升降,两个帘面之间的高度差不应大于50mm。
检查数量:全数检查。
检查方法:手动检查;用钢卷尺测量双帘面卷帘的两个帘面之间的高度差。
(2)防火卷帘电动启、闭的运行速度应为2m/min~7.5m/min,其自重下降速度不应大于9.5m/min。
检查数量:全数检查。
检查方法:用秒表、钢卷尺测量。
(3)防火卷帘启、闭运行的平均噪声不应大于85dB。
检查数量:全数检查。
检查方法:在防火卷帘运行中,用声级计在距卷帘表面的垂直距离1m、距地面的垂直距离1.5m处,水平测量三次,取其平均值。
(4)安装在防火卷帘上的温控释放装置动作后,防火卷帘应自动下降至全闭。
检查数量:同一工程同类温控释放装置抽检1个~2个。
检查方法:防火卷帘安装并调试完毕后,切断电源,加热温控释放装置,使其感温元件动作,观察防火卷帘动作情况。试验前,应准备备用的温控释放装置,试验后,应重新安装。
防火门调试
1、常闭防火门,从门的任意一侧手动开启,应自动关闭。当装有信号反馈装置时,开、关状态信号应反馈到消防控制室。
检查数量:全数检查。
检查方法:手动试验。
2、常开防火门,其任意一侧的火灾探测器报警后,应自动关闭,并应将关闭信号反馈至消防控制室。
检查数量:全数检查。
检查方法:用专用测试工具,使常开防火门一侧的火灾探测器发出模拟火灾报警信号,观察防火门动作情况及消防控制室信号显示情况。
3、常开防火门,接到消防控制室手动发出的关闭指令后,应自动关闭,并应将关闭信号反馈至消防控制室。
检查数量:全数检查。
检查方法:在消防控制室启动防火门关闭功能,观察防火门动作情况及消防控制室信号显示情况。
4、常开防火门,接到现场手动发出的关闭指令后,应自动关闭,并应将关闭信号反馈至消防控制室。
检查数量:全数检查。
检查方法:现场子动启动防火门关闭装置,观察防火门动作情况及消防控制室信号显示情况。
防火窗调试
1、活动式防火窗,现场子动启动防火窗窗扇启闭控制装置时,活动窗扇应灵活开启,并应完全关闭,同时应元启闭卡阻现象。
检查数量:全数检查。
检查方法:手动试验。
2、活动式防火窗,其任意一侧的火灾探测器报警后,应自动关闭,并应将关闭信号反馈至消防控制室。
检查数量:全数检查。
检查方法:用专用测试工具,使活动式防火窗任一侧的火灾探测器发出模拟火灾报警信号,观察防火窗动作情况及消防控制室信号显示情况。
3、活动式防火窗,接到消防控制室发出的关闭指令后,应自动关闭,并应将关闭信号反馈至消防控制室。
检查数量:全数检查。
检查方法:在消防控制室启动防火窗关闭功能,观察防火窗动作情况及消防控制室信号显示情况。
4、安装在活动式防火窗上的温控释放装置动作后,活动式防火窗应在60s内自动关闭。
检查数量:同一工程同类温控释放装置抽检1个~2个。
检查方法:活动式防火窗安装并调试完毕后,切断电源,加热温控释放装置,使其热敏感元件动作,观察防火窗动作情况,用秒表测试关闭时间。试验前,应准备备用的温控释放装置,试验后,应重新安装。
防火卷帘、防火门、防火窗验收
一般规定
1、防火卷帘、防火门、防火窗调试完毕后,应在施工单位自行检查评定合格的基础上进行工程质量验收。验收应由施工单位提出申请,并应由建设单位组织监理、设计、施工等单位共同实施。(应强制执行)
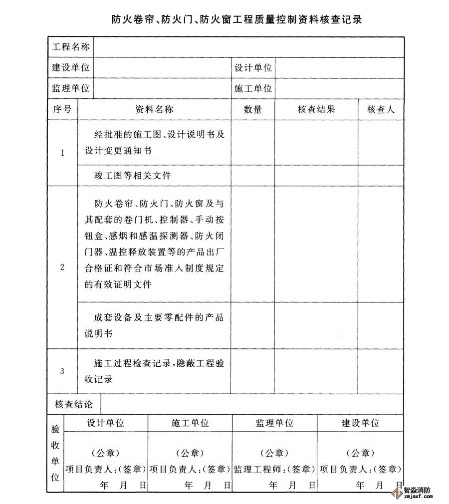
2、防火卷帘、防火门、防火窗工程质量验收前,施工单位应提供下列文件资料,并应按下表填写资料核查记录:

(1)工程质量验收申请报告。
(2)GB50877第3.0.1条规定的施工现场质量管理检查记录。
(3)GB50877第3.0.2条规定的技术资料。
(4)竣工图及相关文件资料。
(5)施工过程(含进场检验、安装及调试过程)检查记录。
(6)隐蔽工程验收记录。
3、防火卷帘、防火门、防火窗工程质量验收前,应根据规范规定的验收内容和验收方法,制订验收方案,验收人员应根据验收案按程序进行,并应按规范填写工程质量验收记录。
防火卷帘验收
1、防火卷帘的型号、规格、数量、安装位置等应符合设计要求。
检查数量:全数检查。
检查方法:直观检查。
2、防火卷帘施工安装质量的验收应符合GB50877第5.2节的规定。
3、防火卷帘系统功能验收应符合GB50877-2014规范第6.2节的规定。
防火门验收
1、防火门的型号、规格、数量、安装位置等应符合设计要求。
检查数量:全数检查。
检查方法:直观检查;对照设计文件查看。
2、防火门安装质量的验收应符合GB50877-2014规范第5.3节的规定。
3、防火门控制功能验收应符合GB50877-2014规范第6.3节的规定。
防火窗验收
1、防火窗的型号、规格、数量、安装位置等应符合设计要求。
检查数量:全数检查。
检查方法:直观检查;对照设计文件查看。
2、防火窗安装质量的验收应符合GB50877-2014规范第5.4节的规定。
3、活动式防火窗控制功能的验收应符合GB50877-2014规范第6.4节的规定。
江苏苏州智淼消防安装工程公司主营:北京消防施工安装,消防工程设计,消防维修改造,消防设备检测,消防验收代办,消防维修保养,探测器清洗,消防检测设备,智慧消防物联网,消防设备销售安装及调试为一体的正规化消防企业。消防改造网址:http://www.zmjaxf.com/;服务热线:4006-598-119